2-pisteruisku??

289, 302, 351, V8, suora-6.....Toploader, C4, 3:03...
alpo
Hiljaisempi
Viestit: 8
Liittynyt: 20 Syys 2009, 17:59
Auto: Mustang 84

2-pisteruisku??

Viesti Kirjoittaja alpo »

Terve,
Auttakaa nyt tuoretta ponin omistajaa!
Tuli ostettua AVK tarjouksesta -84 3,8 musse. Käymään ei luonnollisesti suostunut lähtemään, ja asiaa tutkin perjantai-iltana hartaasti. Huikkabensalla lähtee kyllä ja suuttimille nousee bensa. Tästä päättelin että suuttimien avautuminen takkuaa.
Suuttimille tulee virta päällä n.10,5V jännite (tulee jokaiseen neljään nastaan) :shock: Suuttimia ennen olevassa liittimessä on joku hyppyjohto (suuttimesta toiseen.) Suuttimille virtaa syöttäessä suutin avautuu, eli niille pitää molemmille tulla jännite ja miinus. Mistähän mahdollisesti alan vikaa hekemaan?
Laitanko tilalle kaasuttimen ja normi bensapumpun? Minkä tyypin kaasutin olis tuohon sopiva? Ehkä ruiskun kytkentäkaaviostakin olis apua.
Kiitos jo etukäteen.
Avatar
Mexico65
Over The Top
Viestit: 3210
Liittynyt: 29 Touko 2004, 00:25
Paikkakunta: Lapinkylä

Re: 2-pisteruisku??

Viesti Kirjoittaja Mexico65 »

Saakohan ECU kaikki tarvittavat tiedot polttoaineen syöttämistä varten?
Kampiakselin asento tunnistin tmv.
Joku asiaan perehtynyt kirja voisi olla suureksi avuksi, niistä yleensä löytyy myös tarvittavat sähkö kaaviot.
Hintakaan ei varmaan ole este 20 -40€.
Tämän tyyppiset ongelmat ovat näin etänä erittäin vaikeita ratkaista.
65 "Shelby" Mustang GT 350, FIA Race Car
67 Mustang HT "Trans Am"
Norton Commando 750 S -70
Money can´t buy happiness, but it can buy a race car. And I´ve never seen a sad person in a race car.
Avatar
harmi80
Addikti
Viestit: 201
Liittynyt: 29 Touko 2004, 00:25
Paikkakunta: Helsinki

Re: 2-pisteruisku??

Viesti Kirjoittaja harmi80 »

Mihin päin on pusu tullut? Eli onko johtosarja tai ecu ottanut siipeensä?
Pyöriikö bensapumppu? Jos ei, niin kokeile hyppylangalla relekannasta.
Tuo ei varmaan montaa signaalia tarvi, eli asento- ja lämpöanturit sekä mappi (vai onko kuumalanka tai tps?).
Elä vielä heitä ruiskuja mäkeen, kyllä se kuntoon tulee :D
-71 HT 351C 4v
Avatar
foxi-82
Addikti
Viestit: 196
Liittynyt: 17 Touko 2005, 22:00
Paikkakunta: Ulvila

Re: 2-pisteruisku??

Viesti Kirjoittaja foxi-82 »

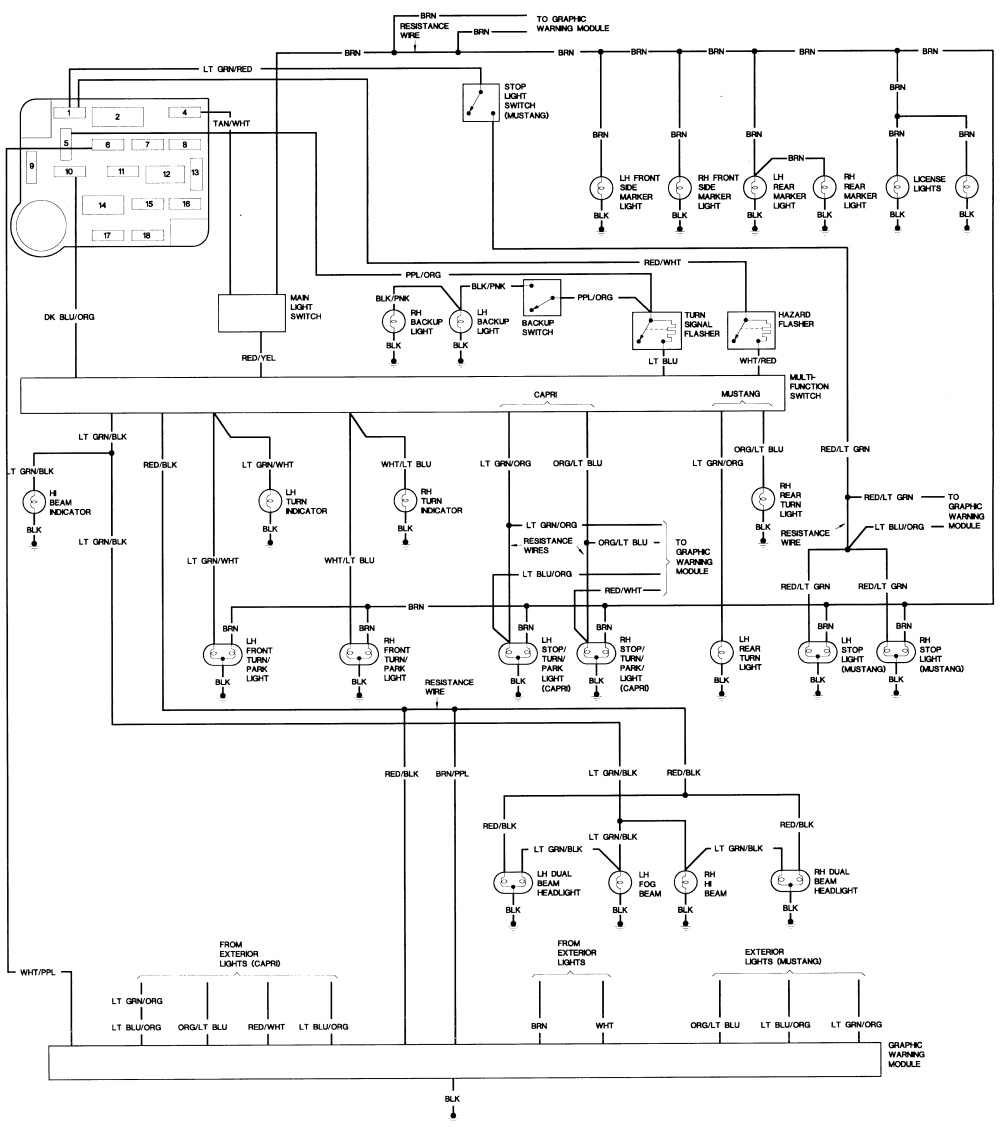
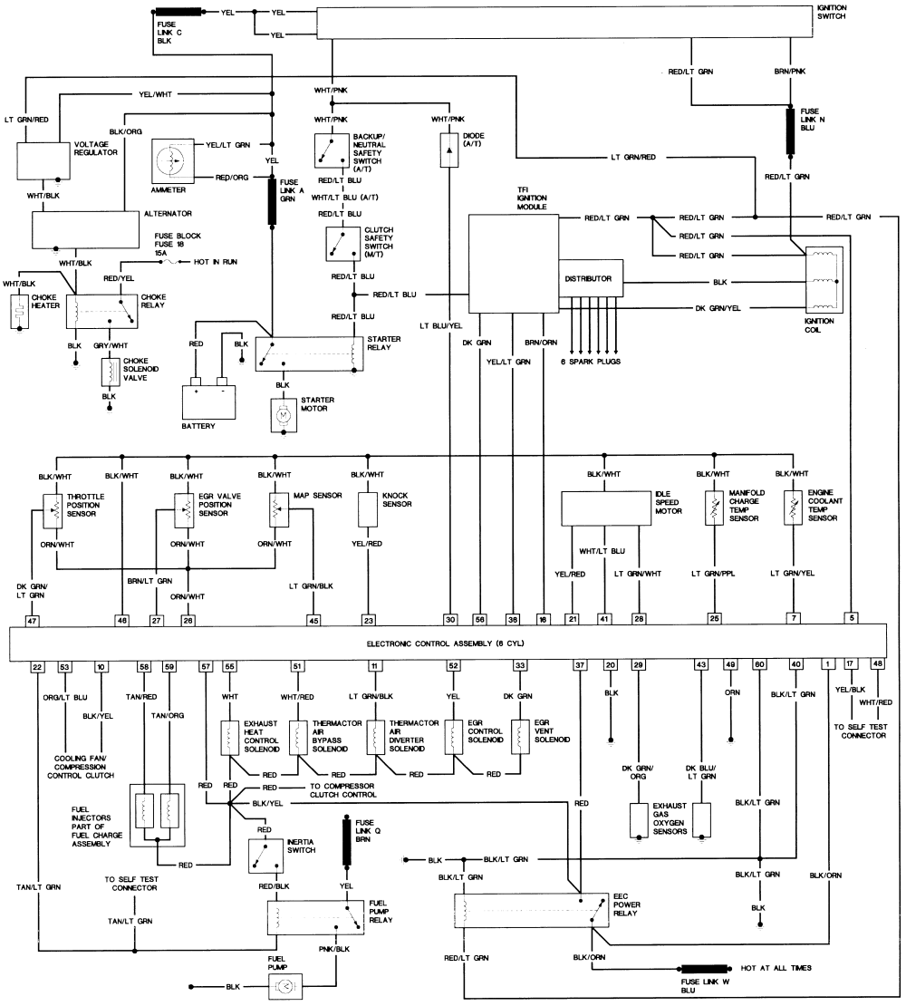
Tällaiset kaaviot löytyi ko autoon autozonesta. Pikainen tarkistus kertoo, että chiltonin kirjassa kuvat ovat aivan samat.
84 kytkentä1.gif
84 kytkentä2.gif
84 kytkentä3.gif
alpo
Hiljaisempi
Viestit: 8
Liittynyt: 20 Syys 2009, 17:59
Auto: Mustang 84

Re: 2-pisteruisku??

Viesti Kirjoittaja alpo »

Kiitos! Kuvasta varmasti on apua.
Autoa ei ole kolaroitu, vaan ilkivalta vahinko. Eli kaikki ikkunat rikottu. (autoliikkeen pihassa, tuskin käynnistynyt sielläkään!) Autolla todennäköisesti ajettu vain 50t. mailia.
Vanha sanontahan on: Kyllä konkurssikin hyvä on, mutta vakuutuspetosta ei mikään voita :oops:
alpo
Hiljaisempi
Viestit: 8
Liittynyt: 20 Syys 2009, 17:59
Auto: Mustang 84

Re: 2-pisteruisku??

Viesti Kirjoittaja alpo »

Eipä selvinnyt vika tänäänkään! Jos oikein olen tulkinnut härvelin toimintaa, niin punaista johtoa suuttimille tulee jännite ja ECU:n nastoista 58 ja 59 pitäisi tulla miinus/ohjaus? Joku mua viisaampi voi kertoa miksi 58/59 nastoihin tulee virta :shock: Onkohan uuden ohjainyksikön hankinta edessä? (kyllä, avasin senkin kannen, ei löytynyt mustuneita komponenteja) Verhoilut oli ohjaimen edestä purettu ja konehuoneen puolen liittimet on joku jo aiemmin putsannut.
Kyllä asiasta on aiemminkin asentaja kiinnostunut.
ikk
Aktiivi
Viestit: 81
Liittynyt: 15 Heinä 2008, 10:49
Paikkakunta: Kotka

Re: 2-pisteruisku??

Viesti Kirjoittaja ikk »

Kyllä se ohjaus yleensä niin pelaa että suuttimen toiseen nastaan tulee +12V ja toista maadoittamalla boksi availee suutinta. Se että siinä ohjausjohdossa näkyy +12V johtunee boksin sisäisestä rakenteesta eikä välttämättä ole vika. Mittaus pitäisi tehdä suuttimen rinnalta jolloin hyvällä tuurilla yleismittarilla voi näkyä jotain elämää. Tarkemmin tuntematta tota systeemiä veikkaisin että vika on jossain muualla, esim. sytkäpuolella jolloin boksi ei saa kierroslukutietoa eikä tajua ohjata suuttimia.
Avatar
302TT
Mega-addikti
Viestit: 554
Liittynyt: 26 Tammi 2007, 14:36
Paikkakunta: Kuopio

Re: 2-pisteruisku??

Viesti Kirjoittaja 302TT »

Hieman hakuammuntaahan se on, mutta itsekin lähtisin kokeilemaan uudella TFI-moduulilla. Ainakin 5.0HO mottiin sai ihan paikallisesta AD varaosasta tilaamalla, eikä ollut aivan tolkuttoman hintainenkaan.

Viime syksynä sahasin 5.0TT mottia piiiiitkään käyntiin, mutta ei vaan lähtenyt. Tosin sen verran oli elämää, että paukutti putkiin. Voi sitä riemun päivää, kun uudella TFI-yksiköllä rämähti tulille.. :D

Tuolla myös jotain TFI:stä:
http://www.therangerstation.com/tech_li ... ostic.html
Mach1 -71
Arto65FB
Superpölöttäjä
Viestit: 2635
Liittynyt: 02 Maalis 2004, 08:33

Re: 2-pisteruisku??

Viesti Kirjoittaja Arto65FB »

alpo kirjoitti:Mistähän mahdollisesti alan vikaa hekemaan?

Laitanko tilalle kaasuttimen ja normi bensapumpun? Minkä tyypin kaasutin olis tuohon sopiva? Ehkä ruiskun kytkentäkaaviostakin olis apua.
Tuohon käy ihan tuikitavallinen kaksi kurkkuinen. Kumma kyllä Foordi poiketen normaalista tavastaan ei huomannut tehdä special -pulttijakoa.

Jos menet tälle linjalle, niin se isomman paineen bensapumppu pitää ohittaa.
Mustang -65 FB V8
Escort -78 GIL 2.0L kaikilla herkuilla
Opel Astra farmi -03
Myyty
Sierra Goshford 2.0L -85, foxLTD -85 3.8L, 1/6 BMW, 205 1.4 XS, BMW 730 -95 3L V8 DOCH, Scorppi -97, 2.3(Kuusakoskelle :( )
Tapsa
Mega-addikti
Viestit: 701
Liittynyt: 29 Touko 2004, 00:25
Paikkakunta: Etelä-suomi

Re: 2-pisteruisku??

Viesti Kirjoittaja Tapsa »

Etsi ja kokeile vielä onko polttoaineen syötön inertia kytkin lauennut päälle. Jos vaikka autosi on saanut kenkää lasien
rikkomisen tai kuljetuksen yhteydessä.
Eli hieman uudemmissa autoissa on auton takaosassa,jossain sisäosissa kolari tms sattuessa kytkin joka pakko katkaisee
polttoaineen syötön pumpulta (palovaara) jos se oliskin siellä se "vika", muutamasta kotterosta oppineena.
Jos moottori hörähtää kun lorauttaa ruiskun läppärungosta bensaa motille. vika voi olla siellä.
Avatar
302TT
Mega-addikti
Viestit: 554
Liittynyt: 26 Tammi 2007, 14:36
Paikkakunta: Kuopio

Re: 2-pisteruisku??

Viesti Kirjoittaja 302TT »

alpo kirjoitti:Huikkabensalla lähtee kyllä ja suuttimille nousee bensa. Tästä päättelin että suuttimien avautuminen takkuaa.
Tuosta voisi päätellä, että ei olisi inertiakytkimestä kiinni. Tosin Cosworth Sierroissa on yleensä ensimmäinen tsekkauskohde, jos meno loppuu.
Mach1 -71
alpo
Hiljaisempi
Viestit: 8
Liittynyt: 20 Syys 2009, 17:59
Auto: Mustang 84

Re: 2-pisteruisku??

Viesti Kirjoittaja alpo »

Inertia kytkintä en ole autosta löytänyt, mutta kaaviosta päätellen se olisi suuttimien + puolella?
Rockauton sivuilta kyllä saa tilattua uuden ecu-boxin. Hakuammunnalla tilailu tuntuu vaan niin tyhmältä. Auto vain on niin hyvin pidetyn oloinen, että alkuperäisyys kannattaisi yrittää säilyttää. MR-rek sitten joskus on mielessä.
Jos jollain ylimääräinen EHJÄ! jouten saa tarjota ostettavaksi.
sanna.kranta(at)windowslive.com
alpo
Hiljaisempi
Viestit: 8
Liittynyt: 20 Syys 2009, 17:59
Auto: Mustang 84

Re: 2-pisteruisku??

Viesti Kirjoittaja alpo »

Nyt uusi ecu-boxi tilattu jenkeistä, ilmottelen täällä hörähtääkö. Kiitos vielä kaikille asiassa myötäeläneille auttajille!
alpo
Hiljaisempi
Viestit: 8
Liittynyt: 20 Syys 2009, 17:59
Auto: Mustang 84

Re: 2-pisteruisku??

Viesti Kirjoittaja alpo »

Ei tullut eloa uudellakaan box:illa :( Seuraavaksi johonkin austosähkö verstaaseen.
Avatar
ROKI
Aina äänessä
Viestit: 1806
Liittynyt: 20 Elo 2004, 23:11
Paikkakunta: Viinijärvi
Viesti:

Re: 2-pisteruisku??

Viesti Kirjoittaja ROKI »

Luovuta jo ja anna kuusakosken paalata moinen ongelma. Noitahan saa jo toimivia sopurahalla :?:
Tehhään tehhään katotaan mittee tulloo!, tulipas peltipaalista sentään auto. Mustang 66 HT 302
Vastaa Viestiin